car blower motor wiring diagram

82 - 87 Monte Carlo Blower Motor Speed Control Repair - Part 1 Blower. 18 Images about 82 - 87 Monte Carlo Blower Motor Speed Control Repair - Part 1 Blower : 45 Universal Blower Motor Wiring Diagram - Wiring Diagram Source Online, 82 - 87 Monte Carlo Blower Motor Speed Control Repair - Part 1 Blower and also Baldor L1410t Capacitor Wiring Diagram – Car Wiring Diagram.

82 - 87 Monte Carlo Blower Motor Speed Control Repair - Part 1 Blower

82 - 87 Monte Carlo Blower Motor Speed Control Repair - Part 1 Blower www.webcommand.net

blower resistor motor monte carlo colors wiring harness repair speed control wire

My Blower Motor Stopped Working Do You Know Why?, Page 3

My Blower Motor Stopped Working Do You Know Why?, Page 3 www.2carpros.com

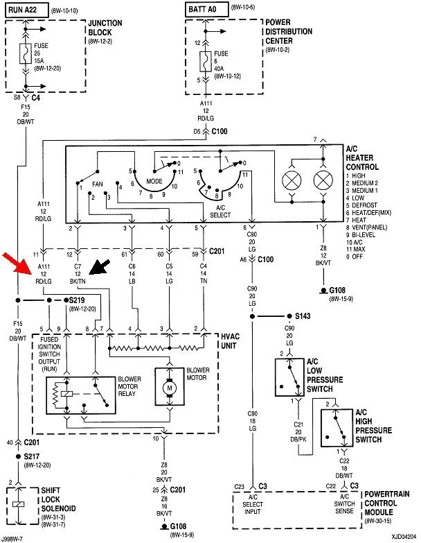
amps

Freightliner Fan Clutch Diagram

Freightliner Fan Clutch Diagram www.tankbig.com

clutch fan diagram freightliner wiring truck

Blower Motor Does Not Turn Off: Blower Motor Doesn't Shut

Blower Motor Does Not Turn Off: Blower Motor Doesn't Shut www.2carpros.com

blower

Question About Wiring A Blower Motor - HVAC - DIY Chatroom Home

Question About Wiring A Blower Motor - HVAC - DIY Chatroom Home www.diychatroom.com

wiring motor blower question hvac

4 Wire Motor Wiring Diagram / Minn Kota Trolling Motor Plug And

4 Wire Motor Wiring Diagram / Minn Kota Trolling Motor Plug And intertherm-wiring-diagram.blogspot.com

psc

Vw Voltage Regulator Wiring Diagram

Vw Voltage Regulator Wiring Diagram www.tankbig.com

vw regulator diagram wiring voltage alternator beetle 1974 external ford cargurus helpful

4 Pin Led Switch Wiring

4 Pin Led Switch Wiring www.tankbig.com

switch wiring diagram toggle pole led residentevil inside rocker 12v sponsored links

Blower Motor Not Running: The Blower Suddenly Stopped Working.

Blower Motor Not Running: the Blower Suddenly Stopped Working. www.2carpros.com

blower running motor

Wiring: My Wiring For My Blower Motor Is Wrong So I Got Another

Wiring: My Wiring for My Blower Motor Is Wrong so I Got Another www.2carpros.com

wiring enlarge

Ez Wiring Harness Instructions

Ez Wiring Harness Instructions www.tankbig.com

wiring harness ez instructions bronco ford june early attached thumbnails

Baldor L1410t Capacitor Wiring Diagram – Car Wiring Diagram

Baldor L1410t Capacitor Wiring Diagram – Car Wiring Diagram www.tankbig.com

baldor capacitor wiring diagram motor beauteous fine info

Wiring: My Wiring For My Blower Motor Is Wrong So I Got Another

Wiring: My Wiring for My Blower Motor Is Wrong so I Got Another www.2carpros.com

wiring

Sony Xplod Radio Wiring Color Code

Sony Xplod Radio Wiring Color Code www.tankbig.com

wiring sony radio code xplod stereo

45 Universal Blower Motor Wiring Diagram - Wiring Diagram Source Online

45 Universal Blower Motor Wiring Diagram - Wiring Diagram Source Online apiccolisogni.blogspot.com

xa

Blower Motor Wiring Diagram | Fuse Box And Wiring Diagram

Blower Motor Wiring Diagram | Fuse Box And Wiring Diagram stickerdeals.net

wiring diagram blower motor problems repair help fuse google box

Case Ih 1660 Wiring Schematic

Case Ih 1660 Wiring Schematic www.tankbig.com

wiring case diagram schematic ih backhoe 1660 sponsored links switch

Blower Motor Works Intermittently: I Have The Vehicle, Page 4

Blower Motor Works Intermittently: I Have the Vehicle, Page 4 www.2carpros.com

blower motor intermittently works enlarge 2carpros

Wiring case diagram schematic ih backhoe 1660 sponsored links switch. Switch wiring diagram toggle pole led residentevil inside rocker 12v sponsored links. Clutch fan diagram freightliner wiring truck